-
μονωτής εποξικής ρητίνης
-
Μέσοι μονωτές τάσης
-
Μονωτής εποξικής ρητίνης υψηλής τάσης
-
Κενού διακόπτη κυκλώματος
-
Δακτύλιος εποξικής ρητίνης
-
Ηλεκτρικά τμήματα μηχανισμών διανομής
-
χυτός μετασχηματιστής ρητίνης
-
Γείωση διακόπτης
-
Ηλεκτρικές επαφές χαλκού
-
Η υψηλή τάση αποσυνδέει το διακόπτη
-
Καλύπτρα αστραπής οξειδίων ψευδάργυρου
-
Βιομηχανικοί δεσμοί καλωδίων
-
Ηλεκτρικός πλαστικός σωλήνας αγωγών
-
Δείκτες υψηλής τάσης
-
φορμαρισμένος διακόπτης περίπτωσης
-
διακόπτης διακοπτών φορτίων
-
Μετασχηματιστής διανομής δύναμης
-
StephanΤο QiuPu είναι ένα μεγάλο εργοστάσιο ηλεκτρικής δύναμης. σας ικανοποιούμε πάρα πολύ. θα συνεργαστεί με σας πάλι!
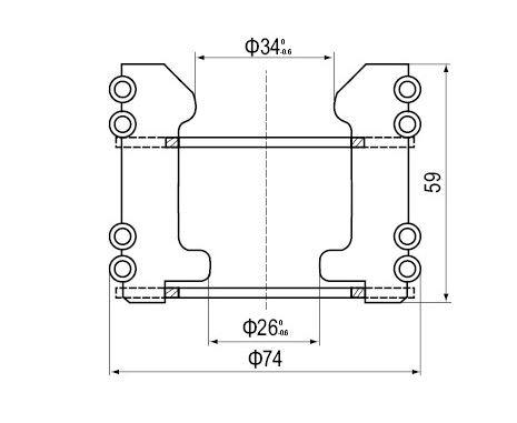
12 ακίδων χάλκινων ηλεκτρικών επαφών, 630Α ασημένιες κινούμενες επαφές τουλίπας για VCB
| Υλικό | Κόκκινος Χαλκός | Υψηλό | 59mm |
|---|---|---|---|
| φυτό | Ασήμι | ταυτότητα | 35 mm |
| Πάχος πλάκας | 1 μμ |
630A Κόκκινα Κλαμπ Χαλκού Επαφές 12 ακίδων με Εσωτερικό Διακόπτη Κενού VCB
(Σε σύγκριση με τον τύπο μόνιμου μαγνήτη, που είναι κυρίως ο μηχανισμός ελέγχου και λειτουργίας, ο σταθερός σφραγισμένος τύπος είναι ο τύπος βλήματος, και ο τύπος μόνιμου μαγνήτη είναι ο ελεγκτής) Ολόκληρο το ντουλάπι ονομάζεται μεταλλικός κλειστός εξοπλισμός διακοπτών τύπου θωράκισης, ο οποίος χωρίζεται σε τρία επίπεδα, το ανώτερο επίπεδο είναι η ράβδος και ο πίνακας οργάνων (ξεχωριστός), το μεσαίο επίπεδο είναι ο θάλαμος του διακόπτη και το κατώτερο επίπεδο είναι ο θάλαμος καλωδίων. Επειδή ο διακόπτης βρίσκεται στο μέσο, ονομάζεται μεταλλικός κλειστός εξοπλισμός διακοπτών τύπου θωράκισης για μετακίνηση, συντομογραφία του ντουλαπιού. (2) Το κεντρικό ντουλάπι είναι ένας τύπος πίνακα διακοπτών που χρησιμοποιείται από τελικούς χρήστες. Είναι πλήρως λειτουργικό και μεγάλο σε μέγεθος, ενώ το δακτυλιοειδές ντουλάπι είναι ένας τύπος πίνακα διακοπτών που χρησιμοποιείται για τη σύνδεση δύο πηγών τροφοδοσίας ή τμημάτων ενός δακτυλιοειδούς δικτύου. Η κύρια λειτουργία είναι ο διαχωρισμός των δύο τμημάτων σε δύο μέρη. Υπάρχουν πολλοί τύποι ντουλαπιών, τα οποία μπορούν να χωριστούν σε πίνακα διακοπτών, μετρητικό ντουλάπι, ντουλάπι μετασχηματιστή, ντουλάπι αλλαγής χρήσης κ.λπ. Ο διακόπτης στο ντουλάπι μπορεί να είναι εξοπλισμένος με αυτόματη συσκευή προστασίας. Το μέγιστο ονομαστικό ρεύμα είναι μόνο 630Α, και ο διακόπτης μπορεί να φτάσει τα 3000Α και άνω (υπάρχουν πάνω από 4000Α στο εξωτερικό). Το μέγιστο ονομαστικό ρεύμα είναι μόνο 630Α, και ο διακόπτης μπορεί να φτάσει τα 3000Α ή άνω (υπάρχουν αυτή τη στιγμή πάνω από 4000Α στο εξωτερικό). Ο διακόπτης προστατεύεται συνήθως από βραχυκύκλωμα. Σε περίπτωση υπερφόρτωσης, χρειάζεται κάποιος χρόνος (και δεν μπορεί να ρυθμιστεί εκτός αν αντικατασταθεί η εσωτερική ασφάλεια) για να διακόψει την καυτή ασφάλεια της εσωτερικής ασφάλειας του κυκλώματος, και ο εσωτερικός διακόπτης τάσης χρησιμοποιείται για την προστασία της υπερφόρτωσης της συσκευής ή του διακόπτη φορτίου εξαφθοριούχου θείου.![]()
![]()
![]()
![]()

